تُعدّ أجهزة إرسال الضغط التفاضلي السعوية أجهزةً أساسيةً في الأجهزة الصناعية الحديثة وأتمتة العمليات . تستخدم هذه الأجهزة تقنية استشعار سعوية متطورة لقياس الضغط التفاضلي، والقياسي، والمطلق بدقة عالية واستقرار طويل الأمد. وعلى عكس أجهزة إرسال الضغط الميكانيكية التقليدية، لا تحتوي هذه الأجهزة على آليات نقل ميكانيكية متحركة ، مما يجعلها مدمجة ومتينة ومقاومةً عاليةً للاهتزاز. تضمن تعديلات الصفر والامتداد المستقلة دقةً دون تداخل، مما يُسهم في انتشار استخدامها في مختلف الصناعات.

في الصين، استُخدمت خطوط إنتاج من شركة روزماونت الأمريكية في العديد من المدن، حيث تُنتج نماذج متنوعة لقياس الضغط التفاضلي ، وضغط القياس ، والضغط المطلق . تتضمن بعض الوحدات أيضًا استخراج الجذر التربيعي لقياس التدفق ، بالإضافة إلى إصدارات مصممة لتطبيقات الضغط الساكن العالي والضغط التفاضلي الدقيق .
يتكون جهاز إرسال الضغط التفاضلي السعوي عادةً من وحدتين رئيسيتين: قسم القياس وقسم التحويل/التضخيم ، كما هو موضح في الشكل 1 .

الشكل 1: مخطط دائرة ناقل الضغط التفاضلي السعوي
1- المذبذب 2- المستشعر السعوي 3- مزيل التعديل 4- ضبط النطاق 5- محدد التيار
6- مكبر القدرة 7- مكبر التشغيل 8- الضبط الصفري والهجرة الصفرية
9- مضخم التحكم في التذبذب 10- مصدر الجهد المرجعي 11- منظم الجهد 12- حماية من عكس القطبية
يحوّل المستشعر السعوي الضغط التفاضلي المُقاس (ΔP) إلى تغير في السعة. تُثار المكثفات التفاضلية العالية والمنخفضة، C H و C L ، بواسطة مذبذب عالي التردد . تُفكك تعديلات التيار الناتجة لإنتاج إشارات تفاضلية ( i L − i H ) وإشارات الوضع المشترك ( i L + i H ).
تُقارن الإشارة التفاضلية بإشارة التغذية الراجعة ( If )، ثم تُضخَّم وتُحوَّل إلى خرج تيار مستمر بجهد 4-20 مللي أمبير . يتدفق تيار الخرج هذا عبر شبكة مقاومة الحمل والتغذية الراجعة، محافظًا على علاقة خطية بين الإشارة التفاضلية وتيار الخرج.
يتكون المستشعر السعوي من صفيحة قطب كهربائي ثابتة وغشاء قياس متحرك، يُشكلان مكثفين ( C H و C L ) متصلين بغرفتي الضغط العالي والمنخفض. عند تطبيق ضغط تفاضلي، ينحرف الغشاء، مما يُغير السعات. يُحوّل مُذبذب التردد العالي (عادةً 32 كيلوهرتز) هذه التغيرات في السعة إلى تغيرات تيار، تُضخّم وتُقوّم لتوليد إشارة تيار مستمر تتراوح بين 4 و20 مللي أمبير، تتناسب طرديًا مع الضغط التفاضلي المطبق ΔP.
عند استخدام جهاز الإرسال لقياس التدفق - كما هو الحال مع صفائح الفتحات أو أنابيب فنتوري أو الفوهات - تُمرر الإشارة عبر مستخرج الجذر التربيعي للحصول على علاقة خطية مع معدل التدفق. يعمل الجهاز بنظام ثنائي الأسلاك بجهد 24 فولت تيار مستمر ، ويدعم جهد تغذية يتراوح بين 12 و45 فولت تيار مستمر ومقاومات حمل تصل إلى 600 أوم .
يظهر في الشكل 2 مستشعر الضغط التفاضلي السعوي ذو الغرفتين .

الشكل 2: هيكل الغرفتين لمستشعر الضغط التفاضلي السعوي
1، 4- غشاء عزل بنمط موجي؛ 2، 3- قاعدة من الفولاذ المقاوم للصدأ؛ 5- طبقة زجاجية؛ 6- غشاء معدني؛ 7- غشاء قياس
في هذا الهيكل، تعمل الأغشية المعدنية (6) كأقطاب كهربائية ثابتة، بينما يعمل غشاء القياس (7) كقطب كهربائي متحرك. يُشكل كلا جانبي الغشاء حجرتين منفصلتين مملوءتين بزيت السيليكون . ينقل السائل غير القابل للانضغاط فرق الضغط Δp = p_H − p_L إلى سطحي الغشاء.
عندما تكون Δp = 0، تكون السعات على كلا الجانبين ( C H و C L ) متساوية. عندما تكون Δp ≠ 0، ينحرف الحجاب الحاجز نحو جانب الضغط المنخفض، مما يجعل C L > C H.
يؤدي استخدام السعة التفاضلية إلى تقليل الأخطاء الناجمة عن التغيرات في درجات الحرارة في الثابت العازل، وبالتالي تحسين الحساسية والدقة والخطية - وهي عوامل مهمة في التحكم في العمليات الصناعية وقياس الضغط .
عندما تكون Δp ≠ 0، يتم توضيح تغير السعة في الشكل 3 .

الشكل 3: تغيرات السعة على كلا الجانبين عند وجود فرق ضغط
المعادلات: 

بالنسبة للحجاب الحاجز ذو الشد الأولي، يكون الانحراف متناسبًا مع الضغط التفاضلي: 
هنا، K₁ ثابت هيكلي يعتمد على انحناء الحجاب الحاجز، وتباعد الأقطاب الكهربائية، والشد الميكانيكي. تضمن هذه العلاقة أن يكون تيار الخرج متناسبًا طرديًا مع الضغط التفاضلي المطبق، مما يوفر دقة قياس ممتازة.
يحوّل مستشعر الضغط السعوي فرق الضغط إلى تغير تناسبي في السعة. يتطلب قياس هذه السعة إثارة تيار متردد عالي التردد ، عادةً بتردد حوالي 32 كيلوهرتز .

الشكل 4: دائرة المذبذب الشكل 5: مصدر طاقة المذبذب
دائرة المذبذب (الشكل 4)
تتكون الدائرة من لفات (الأطراف 6، 8، و5، 7) ومكثف C₂₀، تُشكل حلقة رنينية متصلة بترانزستور VT₁. تُحدد مقاومة التحيز R₂₉ نقطة التشغيل الساكنة. يُحدد التردد بواسطة المحاثة L والسعة C.
مصدر طاقة المذبذب (الشكل 5)
بما أن قياس السعة يعتمد على جهد التيار المتردد، فيجب أن يبقى جهد المذبذب مستقرًا . تعمل حلقة تحكم بالتغذية الراجعة السلبية على تثبيت الجهد تلقائيًا مع ضمان سعة ابتدائية كافية.

كما هو موضح في الشكل 6 ، تحافظ دائرة توليد التيار السعوي وشبكة تكوين الجهد على الإثارة الثابتة.

الشكل 6: دائرة توليد التيار السعوي ودائرة تكوين الجهد U₂
عندما يكون Δp ≠ 0، تنخفض قيمة C_H وتزداد قيمة C_L، ويُعبر عن التيار الإجمالي عبر كليهما على النحو التالي:

تضمن التغذية الراجعة التلقائية أن I L + I H = K₂ (ثابت)، مما يحافظ على استقرار الجهد والحساسية المتسقة.
في دائرة توليد التيار السعوي: ![]()
![]()
![]()
استبدال العلاقات السابقة: 
إجمالي تيار الخرج: ![]()
وبالتالي، فإن إشارة الخرج 4-20 مللي أمبير لجهاز إرسال الضغط التفاضلي السعوي تتناسب بشكل مباشر مع الضغط التفاضلي المطبق.
يوفر الجهاز أيضًا تعديل الصفر ، ومعايرة النطاق ، وحماية القطبية العكسية ، مما يضمن التشغيل المستقر والآمن في أنظمة قياس الضغط الصناعية .
إن أجهزة إرسال الضغط من سلسلة SH التي تنتجها شركة silverinstrumens.com هي عبارة عن أجهزة إرسال ضغط ثنائية الأسلاك 4-20 مللي أمبير تستخدم على نطاق واسع، وهي مصممة للبيئات الآمنة بطبيعتها والمضادة للانفجار .
المواصفات الرئيسية

الشكل 7: العلاقة بين جهد مصدر الطاقة ومقاومة الحمل
عندما يتقلب جهد التزويد بمقدار ±1 فولت، يظل تغير تيار الخرج أقل من 0.005%، مما يضمن استقرار الإشارة والدقة العالية .
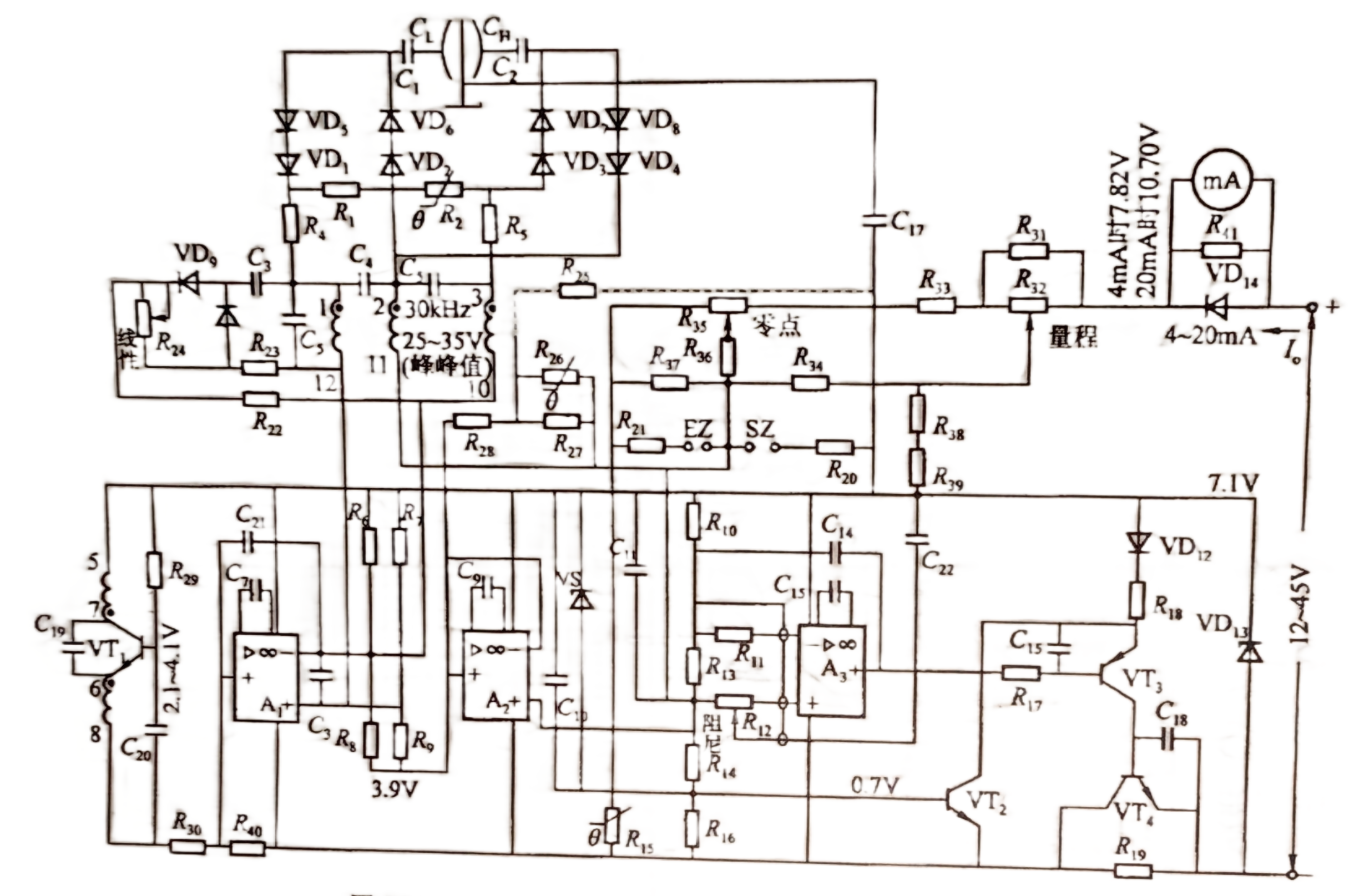
يظهر الدائرة الكلية لجهاز إرسال الضغط التفاضلي SHGP/SHDP في الشكل 8

الشكل 8: تصميم الدائرة لجهاز إرسال الضغط السعوي/DP من سلسلة SH
المكونات والوظائف الرئيسية:
تضمن هذه العناصر أداءً دقيقًا ومستقرًا عبر الظروف الصناعية المتنوعة، مما يجعل سلسلة SHGP/SHDP واحدة من أكثر أجهزة إرسال الضغط التفاضلي السعوية موثوقية للتحكم في العمليات والأجهزة في جميع أنحاء العالم.
أجهزة إرسال الضغط المنخفض
2025/10/12
جهاز إرسال الضغط المنخفض: 16-60 ملي بار. دقة عالية: ±0.1~0.5% بروتوكول هارت، خرج 4-20 مللي أمبير. شاشة عرض رقمية مليبار، رطل/بوصة مربعة، باسكال.
VIEW
مستشعر الضغط الخزفي
2025/10/12
مستشعر الضغط السعوي السيراميكي. مستشعر مقاوم للاتساخ والتآكل. خرج مستشعر الضغط 4-20 مللي أمبير. لصناعة اللب والورق.
VIEW
مستشعر الضغط السعوي 3351
2025/10/12
مستشعر الضغط السعوي عبارة عن هيكل ملحوم بمواد الفولاذ المقاوم للصدأ. هذا النوع من مستشعرات الضغط هو استشعار الضغط أو الضغط التفاضلي عبر تعبئة الزيت في المستشعر.
VIEW
SH 308 Series جهاز إرسال ضغط السيليكون المنتشر
2025/10/12
معلومات عامة عن جهاز إرسال الضغط السيليكوني المنتشر من سلسلة SH 308 ، تختار أجهزة إرسال ضغط السيليكون المنتشرة من سلسلة SH 308 مكونات مستشعر ضغط السيليكون المؤهل المستورد ، ...
VIEW
SHDP / GP DP / جهاز إرسال الضغط مع أختام الحجاب الحاجز عن بعد
2025/10/12
يوفر جهاز إرسال الضغط / الضغط التفاضلي SHDP / GP مع أختام الحجاب الحاجز عن بُعد نوعًا من طريقة القياس الموثوقة لتجنب الوسيط المقاس من الاتصال المباشر بغشاء الختم ...
VIEW
SHLT نوع المستوى المرسل
2025/10/12
يمكن لجهاز إرسال مستوى شفة SHLT (ذكي) إجراء قياس دقيق ومستوى كثافة لجميع أنواع الحاويات. شفة متداخلة وشفة ممتدة متوفرة ، 3 أو 4 "، شفة 1501b أو 3001b ، ...
VIEW